Manchon fileté pour tubes Oter en acier galvanisé M/F 1 pouce 52931
OTR 52931
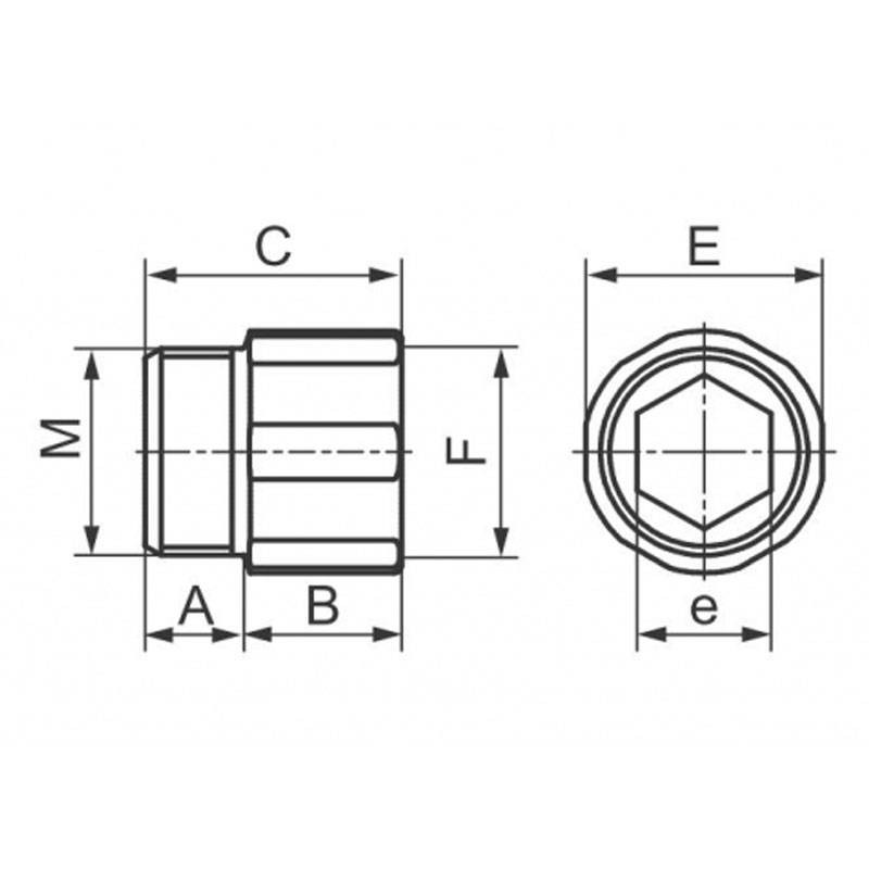
Manchon fileté pour tubes Oter avec les caractéristiques suivantes :
- Connexion : mâle/femelle
- Raccords : 1 pouce
- Matériau : acier zingué
- Dimensions : 65x38x19 (C-E-e)
Manchon fileté pour tuyaux, adapté au raccordement de deux tuyaux.
Manchon fileté pour tubes Oter en acier galvanisé M/F 1 pouce 52931
4,08 €
TTC
4,08 €
Manchon fileté pour tubes Oter en acier galvanisé M/F 1 pouce 52931
4,08 €
TTC
TTC
-20€
EXTRA
Entrez le code de réduction sur la page de paiement
Promotion valable pour un temps limité
Articles disponibles: 15
Qté
Manchon fileté pour tubes Oter en acier galvanisé M/F 1 pouce 52931
4,08 €
Achetez-le d'ici et recevez-le de Mardi, 11 Novembre
Payez en 4 fois sans intérêts pour les commandes entre 30€ et 2000€ (valable uniquement en France)
Caractéristiques :
- Matériau : acier C4C EN 10263
- Filetage UNI - ISO 228/1 CL.B
- Galvanisation électrolytique UNI ISO 2081:2018a. 6 ÷ 9 µm
- Conforme à ROHS2 2011/65/EU et au transport d'eau potable selon DM 174 06-04-04
Fiche technique
- Typologie : Manches
- Attaque: M/F
- Modèle: Filetés
- Raccords: 1
- Matériaux: Acier
: 32

