Steckbarer Abwasseranschluss für Abfluss 87 Grad 30' in PP Valsir PP3 D160/125mm VS0510071
Abwasseranschluss 87 Grad 30' für Valsir PP Polypropylen PP3 Steckabflussrohre mit den folgenden Eigenschaften
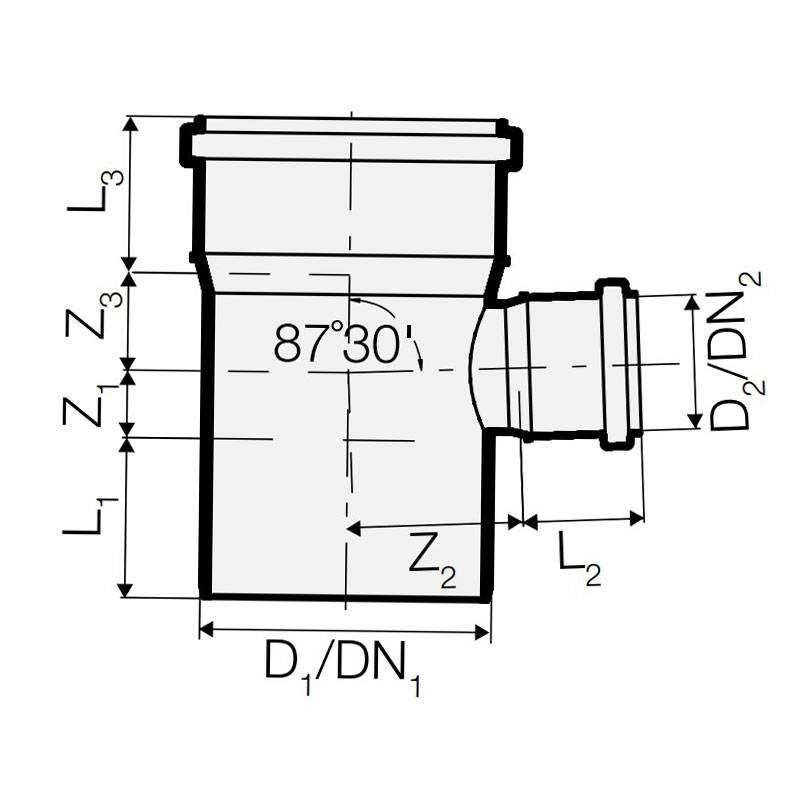
- Durchmesser 1: 160 mm
- Durchmesser 2: 125 mm
- Nennweite 1: 150 mm
- Nenndurchmesser 2: 125 mm
- Abmessungen: 64x132x71x148x79x86 (Z1-Z2-Z3-L1-L2-L3)
- Gewicht: 894 Gramm
Valsir PP3 ist ein Entwässerungssystem, das aus Rohren, Formstücken und Zubehör für den Bau von Entwässerungs- und Regenwasserkanälen besteht.
Steckbarer Abwasseranschluss für Abfluss 87 Grad 30' in PP Valsir PP3 D160/125mm VS0510071
Steckbarer Abwasseranschluss für Abfluss 87 Grad 30' in PP Valsir PP3 D160/125mm VS0510071
inkl. MwSt.
-20€
EXTRA
Gutschein zur Kasse hinzufügen
Steckbarer Abwasseranschluss für Abfluss 87 Grad 30' in PP Valsir PP3 D160/125mm VS0510071
PP3 ist das Entwässerungssystem, bestehend aus dreischichtigen Rohren, Formstücken und Zubehör für den Bau von Entwässerungs-, Belüftungs- und Regenwasserableitungssystemen. Es handelt sich um ein System, das sich durch seine extreme Leichtigkeit und seine schnelle Installation auszeichnet; dank seiner Schallleistung von 17 dB(A) bei einer Durchflussmenge von 2 Litern/Sekunde ist es die ideale Lösung für Wohngebäude, bei denen die Abflussrohre beispielsweise im Inneren des Betongusses verlegt und auch für das Lüftungsnetz verwendet werden.
Valsir PP3 ist ein extrem leichtes System und stellt dank der Steckmuffe mit Hydraulikdichtung die einfachste Lösung für den Bau von Entwässerungssystemen dar.
Valsir PP3 wird gemäß EN 1451 hergestellt und kann für Nieder- und Hochtemperaturabflusssysteme, Belüftungssysteme für Entwässerungsnetze und für Fallrohre in Zivil- und Industriegebäuden, Krankenhäusern und Hotels verwendet werden.
Das breite Sortiment an Rohren, Formteilen und Zubehör ermöglicht die Realisierung des gesamten Abwassernetzes, von den Abzweigungen der Sanitäranlagen über die Steigleitungen bis hin zum Abflussverteiler.
Vorteile:
- Glatte, weiß gefärbte Innenfläche zur Vereinfachung der Videoinspektion
- Hohe Widerstandsfähigkeit gegen Korrosion und Abrieb
- Hohe Schlagzähigkeit bei extrem kalten Temperaturen unter 0°C
- Hohe chemische Beständigkeit gegen gelöste Stoffe in zivilen und industriellen Abflüssen
- Große Auswahl an Durchmessern von 32 mm bis 160 mm
- Große Auswahl an Verbindungsstücken mit anderen Abflusssystemen wie Gusseisen, PE, PP, PVC
Technische Daten
- Durchmesser: 125 mm
- Art: Steckbare Abwasseranschlüsse
- Modell: Schalldämmend
160mm

